聯系熱線
美國2B 106-W檢測儀周期零點和量程測量 儀器在工廠校準,斜率(S)和偏移量(Z)參數輸入儀器存儲器。這些預設校準參數在儀器的出生證明中給出,并記錄在儀器外殼上的校準標簽上

美國2B 106-W儀表警告燈有什么作用 水臭氧監測器的前面板上有三個警示燈。如果這些燈中的任何一個在操作過程中亮起,則表明您的顯示器有問題: 低燈: 如果光電二極管的電壓降至

美國2B 160-W水中臭氧檢測儀如何設置校準參數 儀器在工廠進行校準,將斜率(S)和偏移量(Z)參數輸入儀器的存儲器。這些預設的校準參數在儀器的出生證明上給出,并記錄在儀器箱上的校

美國2B 106臭氧檢測儀如何設置時間和日期 任何設備都會出現時間出錯的情況,一般可能是時間電池引起的,更換電池好,重新調節時間即可 美國2B 臭氧檢測儀 時間和日期在哪里調節呢

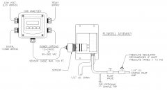
美國2B 306 型臭氧校準儀如何安裝 1 典型安裝:從 306 型連接到設備繪圖流程 306 型通常用于校準 臭氧監測儀 ,或為另一種從校準儀抽取流量的設備提供已知的臭氧濃度。 306 型專為此類

106-L臭氧分析儀如何設置數據導出 數據可以記錄在內部數據記錄器中。 多達 32,736 條數據線,包括對數、臭氧混合比、內部(電池)溫度、內部(電池)壓力、流速、光電二極管電壓、

美國2B 106型臭氧檢測儀如何使用菜單設置讀數次數 在不記錄的情況下平均數據 從主菜單中選擇平均可以選擇四種平均模式。 按住選擇開關以獲得主菜單。 選擇并單擊 Avg 以獲取 Avg 菜

美國2B 106-M臭氧分析儀自帶過濾器嗎 美國2B 型號106-M固件具有通過內置自適應過濾器采樣臭氧濃度數據的能力。默認情況下,此過濾器是關閉的。用戶可以選擇激活這個過濾器,它通過

ATI Q46H/64 水中臭氧檢測儀三種安裝方式 ATI水中 臭氧檢測儀 ,常用的三種安裝方式如下: 標準體系 標準型號 Q46H/64 系統包括三個主要組件:Q46H 分析儀、恒壓頭流通池和臭氧傳感器。密
